导读:说起开关电源的难点问题,PCB布板问题不算很大难点,但若是要布出一个精良PCB板,那开关电源一定是难点之一(PCB设计不好,可能会导致无论怎么调试参数都调试布出来的情况,这么说并非危言耸听),其原因是PCB布板时考虑的因素有很多的,比如电气性能,工艺路线,安规要求,EMC影响等。考虑的因素之中,电气是最基本的,但EMC又是最难摸透的,很多项目的进展瓶颈就在于EMC问题。本文从22个方向给大家分享一下PCB布板与EMC的关系。

一、熟透电路方可从容进行PCB设计之EMI电路

上面的电路对EMC的影响可想而知,输入端的滤波器都在这里;防雷击的压敏;防止冲击电流的电阻R102(配合继电器减小损耗);关键的虑差模X电容以及和电感配合滤波的Y电容;还有对安规布板影响的保险丝;这里的每一个器件都至关重要,要细细品味每一个器件的功能与作用。设计电路时就要考虑的EMC严酷等级从容设计,比如设置几级滤波,Y电容数量的个数以及位置。压敏大小数量选择,都与我们对EMC的需求密切相关,欢迎大家一起讨论看似简单其实每个元器件蕴含深刻道理的EMI电路。
二、电路与EMC:(最熟悉的反激主拓扑,看看电路中哪些关键地方蕴含了EMC的机理)

上图的电路中打圈几部分:对EMC影响非常重要(注意绿色部分不是的),比如辐射大家都知道电磁场辐射是空间的,但基本的原理是磁通量的变化,磁通量涉及到磁场有效截面积,也就是电路中对应的环路。
电流可以产生磁场,产生的是稳定的磁场,不能向电场转化;但变化的电流产生变化的磁场,变化的磁场是可以产生电场(其实这就是有名的麦克斯韦方程我用通俗语言来说),变化的电场同理可产生磁场。所以一定要关注那些有开关状态的地方,那就是EMC源头之一,这里就是EMC源头之一(这里说之一当然后续还会讲到其它方面),比如电路中虚线环路,是开关管开通和关断的环路,不仅设计电路时开关速度可以调节对EMC影响,布板走线环路面积也有着重要的影响!另二个环路是吸收环路和整流环路,先提前了解下,后面再讲。
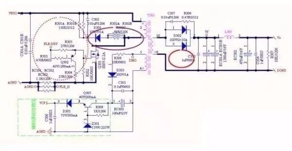
三、PCB设计与EMC的关联
1、PCB环路对EMC的影响非常重要,比如反激主功率环路,如果太大的话辐射会很差。
2、滤波器走线效果,滤波器是用来滤去干扰的,但若是PCB走线不好的话,滤波器就可能失去应该有的效果。
3、结构部分,散热器设计接地不好会影响,屏蔽版的接地等;
4、敏感部分与干扰源头过近,比如EMI电路与开关管很近,必然会导致EMC很差,需要有清晰的隔离区域。
5、RC吸收回路的走线。
6、Y电容接地与走线,还有Y电容的位置也很关键等。
等等。先想到这说这些,后续会具体讨论,先起个引子。
下面举一个小例子:

如上图中虚线框,X电容引脚走线做了内缩的处理,大家可以学习下,如何让电容引脚走线外挂(采用挤电流走线)。这样X电容的滤波效果才能够达到最佳状态。
四、PCB设计之准备事项:(准备充分了,方可设计步步稳健,避免设计推翻重来)
大致有以下的一些方面,都是自己设计过程会去考虑,所有的内容跟别的教程无关,都是只是自己的经验总结。
1、外观结构尺寸,包括定位孔,风道流向,输入输出插座,需要与客户系统匹配,还需要与客户沟通装配上的问题,限高等。
2、安规认证,产品做哪种认证,哪些地方做到基本绝缘爬电距离要留够,哪些地方做到加强绝缘留够距离或开槽。
3、封装设计:有没有特殊期间,如定制件封装准备。
4、工艺路线选定:单面板双面板选择,或是多层板,根据原理图及板子尺寸,成本等综合评估。
5、客户的其他特殊要求。
结构工艺相对会更灵活,安规还是比较固定的部分,做什么认证,过什么安规标准,当然也有一些安规是很多标准中通用的,但也有一些特殊产品比如医疗会比较严苛。
为了新入门工程师朋友们不至于眼花缭乱,这里列出了一些普遍产品通用的,下面是对于IEC60065总结出来的具体布板要求,针对安规需要牢记,碰到具体产品要会针对性处理:
1、输入保险丝焊盘制件的距离安规要求大于3.0MM,实际布板按照3.5MM(简单说保险丝前按照3.5MM爬电距离,之后按照3.0MM爬电距离)。
2、整流桥前后安规要求2.0MM,布板按照2.5MM。
3、整流后安规一般不做要求,但是高低压间根据实际电压大小留距离,习惯400V高压留2.0MM以上。
4、初次级间安规要求6.4MM(电气间隙),爬电距离按照7.6MM为最佳(注意:这个跟实际输入电压相关,需要查表具体计算,提供数据仅供参考,以实际场合为准) 。
5、初次级用冷地,热地标识清晰;L,N标识,输入AC INPUT标识,保险丝警告标识等等都需要清晰标出。
大家对上面有疑问的,也可以讨论,互相学习。
再次重申实际安规距离跟实际输入电压相关以及工作环境有关,需要查表具体计算,提供数据仅供参考,以实际场合为准。
五、PCB设计之安规考虑其它因素
1、明白自己产品做什么认证,属于什么产品种类,比如医疗,通信,电力,TV等各不相同,但也有很多相通的地方。
2、安规中与PCB布板紧密的地方,了解绝缘的特点,哪些地方是基本绝缘,哪些地方是加强绝缘,不同标准绝缘距离是不一样的。最好是会查标准,并且会计算电气距离,爬电距离。
3、产品的安规器件重点注意,比如变压器磁性与原副边关系。
4、散热器与周边距离问题,散热器接的地不一样绝缘情况也不一样,接大地还是冷地,热地绝缘也布一样。
5、保险的距离特别注意,要求最严格地方。保险丝前后距离布一致。
6、Y电容与漏电流,接触电流关系。
后续会详细说明距离该怎么留,如何做好安规要求。
六、PCB设计之电源布局
1、首先衡量PCB尺寸与器件数量,做到疏密有致,要不然一块密,一块稀疏很难看。
2、将电路模块化,以核心器件为中心,关键器件优先放的原则一次放置器件。
3、器件呈垂直或水平防置,一是美观,二是方便插件作业,特殊情况可以考虑倾斜。
4、布局时需要考虑到走线,摆放到最合理位置方便后续走线。
5、布局时尽可能减小环路面积,四大环路后面会详解到。
做到上述几点,当然要灵活运用,比较合理的布局很快就会诞生。
下面是我画的第一块处女PCB板,好多年前的事情,当时非常的艰苦完成的,中间可能有小问题,不过大体布局还是值得学习的:

此图功率密度还是比较高,其中LLC的控制部分,辅助源部分以及BUCK电路驱动(大功率多路输出)部分在小板上,就没拿出来,看看主功率方面的布局特点吧:
1、输入输出端子是固定死的,不能动,板子是长方形的,主功率流向如何去选择? 这里采用由下至上,由左及右的方式来布局,散热是依靠外壳。
2、EMI电路还是清晰的流向,这点很重要,要不混乱了不美观也对EMC不好。
3、大电容的位置尽量考虑到了PFC环路以及LLC主功率环路。
4、副边的电流比较大,为了走电流,以及整流管散热,采用了这样的布局,整流管在上,BUCK电路MOS管在下,散热分散效果好;大功率的顶层一般走负,底层走正。
每个板子有自己的特点,当然也有自己的难处,如何合理解决是关键,大家从中能理解布局合理选取的含义吗?
七、PCB实例赏析
可以根据之前谈论的PCB布局要点,检视此板,是否做的很到位,我认为是做到比较好的地方了,当然瑕疵总会有,也可以提出来,单面板如此紧凑能做到这样已实属不易了,可以借此板学习讨论!后面还会针对此板讲解学习,大家先欣赏下。

八、PCB设计之四大环路认识(PCB布局的基本要求就是四大环路面积小)

补充一下,吸收环路(RCD吸收以及MOS管的RC吸收,整流管的RC吸收)也很重要,也是产生高频辐射的环路,对上图有任何疑问,都欢迎讨论,不怕任何质疑,只要是针对问题的质疑,一起讨论学习才能更大的进步!
九、PCB设计之热点(浮动电位点)及地线:

注意事项:
1、针对热点,一定要特别注意(高频开关点),是高频辐射点,布局走线对EMC影响很大。
2、热点构成的环路小,走线短,并且走线不是越粗越好,而是够走电流够用就好。
3、地线要单点接地。主功率地和信号地分开,采样地单独走。
4、散热器的地需要接主功率地。
十、EMC整改心得体会
均为个人理解,或许与传统资料教材有差异,请自己斟酌,反正我觉得很多通用的教材结果没我自己总结的使用,自夸了。想说的很多,可能有些乱,都是实践出来的。
EMC产生以及测试时测得的结果如何去理解:简单来说就是如何对症下药,很多情况拿到第一轮测试结果,怎么将结果和电源去对照分析;主题思路如下:
1、针对传导,测试范围标准15K-30M,常见的EN55022是150K起。传导的源头是怎么产生的呢?针对低频,主要是开关频率以及其倍频(后续有图解),这种从源头是无法解决的,开关频率是无法消除的,当然你可以改变开关频率,那也只是将测试结果移动了,并没有真正意义上消除。只能通过滤波器来解决,一般来说对于低频采用R10K这种高磁通材质有很好的效果,磁环大小跟你功率有关系,一般达到10MH感量,甚至更大到20MH,配合Y电容一般能很好解决,低频不是难点;真正的难点是高频,个人认为,高频的起因就复杂多了,有开关导致,有变压器可能,也有电感的可能,也就就是一切存在开关状态的地方都可能存在(怎么判断具体位置,后续讲解),这里需要一番摸索;找到源头未必源头能解决,可能有改善,还是的配合滤波器。针对高频,采用低磁通材质,如镍锌环,感量一般都是UH级别的,配合合适Y电容(比较复杂的电源,建议布板时多留几个Y电容位置,方便整改)。
2、一些配合手段,很多教材都提到增大X电容判断差模还是共模,有一定意义可能现实帮助不大,设计时一般我们X电容都会放到合适的值。并且增大X电容就能解决差模问题,也是瞎扯,所以很多教材都是提供一定意义指导,个人觉得没什么用。我觉得比较好的手段有几个:一是对照接地和不解地总结差异,不接地可能更差,原因是系统构造的传导途径少了;也可能有改善,说明是通过地回路传导到端口。具体解决措施,针对电路接地的点Y电容进行调节以及加磁珠。二是在输入端口套磁环,若套低U环有改善,调节第一级滤波电感。3复杂的系统注意EMI电路的屏蔽措施。若措施都没什么效果,反省PCB设计,这方面在PCB设计中会讲到。
3、针对辐射:必须找出源头去解决,观测第一次测试结果,若是30M附近超出,跟接地相关,系统上找接地,并且要判断测试时是否接地良好,有时候输入线都有影响。2.40M-100M以内,一般是MOS管开通关断引起,有时后为了现场不好直接判断是开通还是关断,可针对性整改观测结果去验证(当然这都得花钱,后续会讲解如何用示波器去判断,这可是密招)。3 100M以上多为二极管引起,整改二极管吸收电容,大功率的有的可能是同步整流,更改MOS管吸收环路,记住有时候调整C时还得配合R整改。
要说的太多,后续针对具体实例去补充吧,先手打这么多,反正我打的够辛苦,能引起共鸣很难,毕竟每个人的整改经历差很多,就当给新人朋友一些启示吧,后续会举例说明。
十一、布板走线之滤波电容走线
滤波电容的走线对滤波效果有至关重要的作用,走的不好,可能失去其应有的滤波效果。
图一是副边整流滤波走法,使二个电容效果分摊,避免第二个电容在整流回路中失效。

图二:为输出滤波电容走线,一定不要外挂(也就是被旁路掉),走的不好输出纹波很差。
十二、LLC电路的布板与EMC

LLC电路大家最熟悉不过了,虚线圆圈是驱动电路,在电路设计时紧靠MOS管放置,也就是说IC提供的驱动只需要引二根线拉到驱动电路,驱动电路离MOS管近,避免被干扰(同时走线时也要注意驱动干扰到敏感信号,既是敏感信号也是干扰源);一旦驱动被干扰电源可想而知。
同理同步整流的MOS管驱动也要离同步整流管近,设计原理图时像此图这样放就能很好理解,假如你将这电路给PCB工程师布板,他就很直观如何布局走线,你若是画得很乱,很多PCB工程师对电路理解得布透彻可能就容易布错板。
另外,原边有一个重要的环路,PFC电容与MOS管以及变压器,谐振电感,谐振电容构成的环路面积小。
副边整流滤波环路同样重要,电容的走线之前讲过,也很重要。
走线时注意高低压的距离,有些地方电压是浮动的,必须当作高压来对待,比如上管驱动以及对应的参考电压。
至于EMC方面LLC的开通是软开关,开通对EMC几乎没有影响,重点关注是关断速度的快慢对EMC影响;还有MOS管结电容并的电容对EMC影响很大,选择电容不合适,或是不加(MOS管自身也有结电容)对EMC都可能有影响,这是重点注意的地方;此图没有Y电容,在MOS管正或者负防置Y电容也能很好滤去开关干扰;
对此电路有什么疑问的,可以提出来讨论,在讨论中彼此成长!
十三、电路设计与布板之PFC

上图是典型的BOOST PFC电路:
左边绿色方框部分是驱动电路,和之前LLC拓扑驱动一样,离MOS就近放置,原理图上就体现出来。
右边绿色虚线方框部分,是MOS管关断尖峰吸收电路,一样与MOS管构成环路要最小;
另外二大重要环路,一是MOS管开通环路(虚线红色图),另一个是MOS管关断环路(实线红色图);环路面积尽可能小;
十四、磁环在EMC中妙用
有的产品EMC很难在源头上去处理的,可以采用磁环滤波,当然我这里说的磁环有二个层面的意思,一方面是输入输出端的滤波电感,采用不同材质磁环,不同匝数会有对应的效果,还有一方面意思是直接在输入输出线上套磁环,有时能起到妙用,但不是在所有场合都能用,起码还是能作为判断依据。

上图蓝色和黑色线是输出正负端,上面套了个磁环,解决了输出整流管引起的高频端超出;有些时候端口的干扰在PCB板上加滤波器未必有效果,在输出线上放磁环就有想不到的效果。
十五、PCB走线之关键信号

注意:
1、CS信号(采样信号):从采样电阻R25,R26拉出,注意IC的地线以采样电阻为基准,采样电阻的正负差分走线拉倒IC CS脚以及IC 的GND脚。
2、驱动信号从驱动电路拉倒IC驱动引脚,注意不要干扰到CS脚;如图走线三根线并排走,并且将地线走在驱动先和CS线中间起到一定屏蔽作用;
3、双面板最好将IC一层铺地屏蔽,铺地的网络一定要从IC GND引出,非关键信号GND可直接打过孔,关键信号地需要单点接地,直接接IC;
4、FB反馈网络信号注意查分走线并且单点接IC;
5、RCD吸收网络不要放在主回路;
6、VCC的整流滤波地需要接主功率地,二级滤波可接IC 地;
7、Y电容走线单独接,不可与主功率混淆,避免干扰。
十六、主功率及控制部分地接线示意图

可能很多人看到此图,云里雾里的,大致介绍下:
1、PFC的驱动和IC共地接PFC管,更具体点是接采样电阻的地;
2、DC-DC部分的驱动地和控制地接DC开关管部分的采样地;
3、辅助源部分控制地接辅助源MOS管采样第,MOS管地再接主功率地;
4、各自IC的供电地通过辅助源EC滤波接IC地,注意RC滤波靠近IC。 总结:注意好各自的单点接地,地线不乱,是走线最重要的地方之一!
十七、电磁场屏蔽机理分析
图一:磁场屏蔽原理

如图对照:输入和输出的电场干扰可以通过电容传输耦合,若增加屏蔽板,则增加了C4的大小,并且C1也会减小,对电场干扰起到衰减的目的;
图二:磁场屏蔽原理

如图所示,磁场屏蔽的特点和磁场不一样,需要外壳屏蔽,电场只需要平面屏蔽板,故散热器屏蔽带来的是电场屏蔽,有的采用外壳封闭式电源则起到了一定磁场屏蔽;
磁场屏蔽原理,磁场通过屏蔽罩会改变磁路,导致磁力线向周围扩散,中间磁场干扰达到屏蔽目的。
十八、开关器件与EMC
对器件的认识对EMC也有着重要的意义,比如MOS管,主开关MOS是很重要的EMC源头之一,还有整流管的开通以及关断也会产生高频辐射(原理是电流产生磁场,变化的电流产生电场);当然这里主要是介绍半导体开关器件,其他的电感变压器就不做说明了。
开关器件哪些参数对EMC有重要影响,我们常说快管,慢管是以什么作为参照的呢?我们都知道快管开通损耗小,为了做高效率都喜欢用,但是为了EMC顺利通过,不得不舍弃效率,降低开关速度来减弱开关辐射。
对于MOS管,开通速度是由驱动电阻与输入结电容决定的;关断速度是由输出结电容与管子内阻决定。


参照以上两图,是不同型号的MOS管,对比下输入结电容和输出结电容,2400PF与800PF;780PF与2200PF;一看就知道第一个规格是快管,第二个是慢管,这时候决定开关速度还要与驱动电阻匹配;常规情况驱动电阻在10R-150R比较多,选取驱动电阻与结电容有关,针对快板驱动电阻可适当增大,慢管驱动电阻可适当减小。
对于二极管,有肖特基二极管,快回复二极管,普通二极管,还有一种用的比较少的SIC二极管,开关速度SIC二极管几乎为零,等于是没有反向恢复,开关辐射最小,并且损耗也最小,唯一的缺点就是价格昂贵,故很少用;其次就是肖特基二极管,正向压降低,反向恢复时间短,依次是快回复和普通二极管;需要在损耗和EMC之间折中;一般可采取改吸收以及套磁珠等措施整改EMC。
十九、EMC之滤波器

滤波器的架构选择对滤波器的影响很重要,在不同场合,滤波器是根据阻抗匹配来达到滤波效果,大家可根据此图的原则参考选取如何滤波;比如最常用的输出整流桥后采用π型滤波以及输出端采用LC滤波器。

滤波器的材质对设计滤波电感也是至关重要,采用不同初始磁导率的材质会在不同频率段起作用,选错材质就完全失去应有的效果。
二十、EMC之反激高频等效模型分析

先从最简单的模型理解EMC:
EMC的路径,当然空间辐射是跟环路有关,环路也是路径构造成的;分析出反激高频等效模型,帮助理解EMC形成的机理;我们的测试接收设备会从L,N端接收传导,为了减小接收的干扰,就必须让干扰通过地回路流通而不从L,N端口流向接收设备;这时候我们的EMI电感以及Y电容通过阻抗匹配就可以实现;另外原边的干扰可以通过原副边Y电容,变压器杂散电容以及大地耦合到副边,形成更多的回路;当然一些结电容参数,如MOS管结电容,散热器结电容也能构成流通路径;
二十一、辐射的形式以及频率分布

这个图可能有些抽象,不过正好EMC是很难做到具体,需要给到我们一些启示,可知:差模辐射是以环路的形式存在,而共模辐射是以天线的形式发射;因此正好印证前面说我们布板的时候开关环路的布局以及走线的时候不要走锐角,常规走45度,最好是圆弧走线,当然走线效率会比较低。
这些原理基础知识理解得好,对实际处理EMC工作以及布板很有用那个,如果没这种意识,可能毫无用处,因为提供不了直接方法,需要与其他知识想结合。
而且这里提的很多原理东西,在很多EMC资料中是看不到的,而且也没这么集中,需要反复体会!

如图所示,一些频率端与开关电源产生部位的关系,这只是一般规律,不要完全相信;既是规律又不能尽信是为什么?规律并不是在所有情况下成立,不同电源的差异也很大,所以原理是帮你分析,而不是按照方法去硬套;
二十二、EMC实例


根据传导实例,频率的分布点关键是具体的数据与基频之间的关系,这个测试完后,需要揣测这些数值的规律,可能能发现什么蛛丝马迹;当然对于这些频率如何通过滤波器去解决的手段前面也说过了。
这里是给大家补充一些似乎很神秘的EMC它是怎么来的,感觉不再神秘,而不只是稀里糊涂的采用滤波器解决了问题!
(文章来源:电子汇)
![]()
