某些 32 位微控制器配有片载数模转换器 (DAC),用于产生频率或电压。对于许多应用而言,这种配置不仅提供了更多功能,而且节省了电路板空间。然而,这些应用可能要求微控制器中没有的专用 DAC 功能。
本文首先讨论微控制器片载 DAC 的功能和局限性,然后介绍高精度外部 DAC 解决方案的示例,最后说明如何使用它们来生成精密模拟信号。
片载 DAC 的运作方式
为了让设计人员能够生成自定义模拟信号,微控制器制造商已经开始在微控制器上添加片载 DAC 外设。这些装置可用来生成精密电压,以及包括正弦波和三角波在内的自定义波形。此外,DAC 还可以用于语音合成。
DAC 产生的输出电压可以低至 0 伏,也可以高至 DAC 的模拟基准电压。电压与 DAC 数据寄存器中的数字值成比例关系,精度取决于 DAC 的分辨率。例如,如果 DAC 的分辨率是 8 位,基准电压是 5 伏,则 DAC 的 1 LSB 精度为 5/255 = 0.0196 伏。因此,在理想情况下,如果 8 位 DAC 数据寄存器包含 01h,那么 DAC 输出将相当于 1 LSB 或 0.0196 伏。如果 8 位 DAC 数据寄存器包含值 F1h (241),则理想 DAC 的输出将是 4.7236 伏。理想情况下,若向 DAC 数据寄存器增加 01h,输出电压值应该增大 1 LSB。
当然,就像任何模拟电路一样,不存在理想的 DAC。DAC 输出值与数据寄存器理想值之间的差异称为差分非线性 (DNL) 误差,以 LSB 为单位。例如,典型的微控制器 DAC 可能规定 ±2 LSB 的 DNL。
此外,DAC 还会出现线性增益误差,该误差以增加到理想输出的百分比来衡量,通常在输出电压上增加 0.5%。
对于理想的 DAC,输出值与 DAC 数据寄存器内容的关系图将是一条直线。对于实际的 DAC,通过增加由 DAC 电路参数变化引起的线性误差后,也会是一条直线。现实中,这条线并非真正意义上的直线,而会向外弯曲形成一条非线性曲线。这种非线性也是 DAC 电路的电压和温度发生变化产生的结果。此类非线性误差称为积分非线性 (INL) 误差。对于微控制器 DAC 而言,此误差可能是 ±4 LSB 或更高。
在生成频率时,微控制器 DAC 的最快输出频率限制为微控制器的 CPU 频率。
所有 DAC 都需要准确的基准电压来提供精密模拟信号。在新型微控制器上,DAC 基准电压通常源自专用的模拟基准电压引脚。这种在微控制器内部的模拟基准电压会单独与内部数字逻辑保持隔离,以最大限度减少电源纹波。然而,高速数字逻辑可能会产生一些小干扰。虽然 DAC 外设在产生正弦波时不易受电源纹波的影响,但当需要稳定和精确的输出电压时,或者在生成合成语音或乐音时,这种纹波会很明显。
虽然使用更高的基准电压可以最大限度地降低电源纹波的影响,但也会阻止 DAC 产生较小电压,同时还会将 DAC 的精度降低 1 LSB。
适合小信号的单芯片外部 DAC
大多数微控制器上的 DAC 外设都能为常见应用提供足够的精度。然而,有些情况需要极高的精度和/或速度,这时,使用外部 DAC 就显得很有必要了。
Texas Instruments 拥有一系列外部 DAC,可针对各种设计问题生成模拟信号。例如,如果电路板空间不足,可以使用 DAC80508MYZFT 16 位 DAC,这款 DAC 非常小巧,尺寸仅为 2.4 x 2.4 mm,采用的是 DSBGA 封装。该 DAC 具有 8 个输出,可通过 SPI 接口与大多数微控制器连接,时钟速率高达 50 兆赫 (MHz)(图 1)。

图 1:DAC80508 可通过 SPI 接口连接到大多数微控制器,并拥有 8 个相同的模拟输出通道。(图片来源:Texas Instruments)
DAC80508 既可以使用外部模拟基准电压,也可以使用 DAC 的数字电源电压来产生自己的精度为 ±5 mV 的 2.5 伏内部基准电压。基准电压漂移最低为每摄氏度百万分之二 (ppm/°C)。该漂移值可在 -40°C 至 +125°C 的温度范围内提供高度稳定的基准电压。或者,可将基准电压除以 2,以提供具有 1.25 V 上限的模拟信号。
DAC80508 具有大多数微控制器 DAC 外设所不具备的精度。INL 和 DNL 的典型值均为 ±0.5 LSB,最大值均为 ±1 LSB。增益误差典型值为 ±0.5%,最大值为 ±1%。凭借 16 位分辨率,这种精确度水平非常适合将数字音频信号转换为模拟音频。例如,该产品可用于转换通过光缆传输的脉冲编码调制 (PCM) 数字音频,或者转换来自存储设备的数字音频。在将数字音频转换为 16 位音频数据后,DAC80508 可将这些数据转换为通过普通 RCA 电缆发送的模拟音频信号。如果将基准电压设为 1.25 伏,则该精度足以产生线路级音频信号。
此外,DAC80508 还配有输出增益放大器,可将输出电压翻倍,生成两倍于基准电压的输出电压。
通过 SPI 接口,利用 DAC80508 生成模拟波形非常简单。每个发送到 DAC 数据寄存器的 SPI 命令包都是 32 位宽。每个命令包都包含要写入的通道地址,以及要写入到寄存器的 16 位数据。任何 DAC80508 输出通道均可以经过编程,使其在将数据写入寄存器时立即产生输出电压,或者保留 DAC 数据寄存器中的所有值,直到 SPI 写入内部广播寄存器。若向八个广播寄存器位位置中的任何一个写入逻辑“1”,只会用 DAC 数据寄存器中的值更新相应的 DAC 输出。这样就能生成同步信号,适合为测试设备生成波形。
避免信号错误和噪声
在嘈杂的工业环境中使用时,偶尔会不可避免地受到干扰,在高电压环境中尤为如此。为了防止因 SPI 受到干扰导致输出信号错误,DAC80508 可以选择在每个 SPI 数据包的末尾生成一个 8 位校验和(图 2)。如果校验和有效,则写入 DAC 数据寄存器。但如果校验和无效,则不会写入任何数据。也可选择在校验和无效时,DAC 可将 SPI SDO 引脚拉低,充当低电平有效报警引脚。微控制器固件应负责处理无效的校验和。

图 2:32 位 SPI 数据包结构。当 DAC80508 的 DAC 数据寄存器 SPI 数据包包含 8 位校验和时,数据包首先发送 MSB,最后几位 (7:0) 包含校验和。校验和由 DAC80508 自动生成。(图片来源:Texas Instruments)
不管 DAC 标明多高的精度,只有使用干净的电源才能保证准确度。DAC80508 的 VDD 必须具有低噪声且无纹波,这一点至关重要。如果在 DC-DC 转换器中使用 DAC80508,则必须格外小心,因为这些电源本质上非常嘈杂。对 VDD 进行滤波非常重要,因此必须在 VDD 和模拟接地之间放置一个 1 -10 微法 (μF) 电容器以及一个 0.1μF 电容器。应使用低 ESR 的陶瓷电容,并且应尽可能靠近 VDD 引脚放置。
模拟信号输出端应保持在印刷电路板边缘附近,并应与数字元器件充分隔离。这样不仅可以防止对 DAC 模拟输出产生干扰,还可以防止这些模拟信号干扰印刷电路板上的其他信号。
高速的高性能 DAC
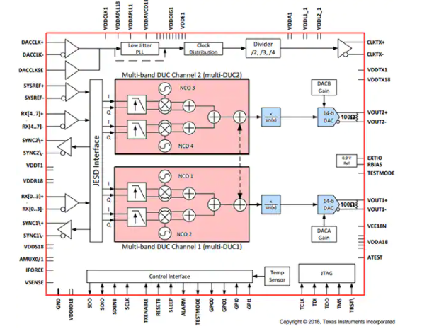
有些时候,要求严苛的应用需要极高的性能。DAC 甚至可以生成千兆赫级别的信号。当直接模拟电路无法产生雷达所需的精度时,DAC 的这一特性对雷达设备尤为重要。针对此类应用,可以使用 Texas Instruments 的 DAC38RF82IAAV 高速射频双通道 DAC,在相对较小的 10 mm x 10 mm BGA 封装内生成 1 千兆赫 (GHz) 以上的波形(图 3)。

图 3:DAC38RF82 是一款具有超高性能的 DAC,可以生成 1 GHz 以上的波形。这款 DAC 通过低功耗、8 通道 JEDSD204B 12.5 Gb/s 接口连至主机微处理器。(图片来源:Texas Instruments)
DAC38RF82 支持三种分辨率。当设为 16 位分辨率时,可生成高达 2 GHz 的射频信号。当选择 12 位分辨率时,可以生成 2.66 GHz 信号。最快的模式是设为 8 位分辨率时的模式,这时,DAC38RF82 可生成 4.5 GHz 的波形。当然了,这些速度均超过了任何微控制器片载 DAC 外设的能力。
DAC38RF82 的性能出众,足以在诸如信号塔等基带发射器中使用,也可用于为高端测试设备等应用生成自定义波形。此外,DAC38RF82 还可用于为自动驾驶车辆生成雷达信号。
该器件比 DAC80508 更加复杂。若要生成高达 4.5 GHz 的信号,需要速度极快的数据接口。DAC38RF82 使用的是 JESD204B 串行数据接口,该接口在 8 位模式下的最高速度可达 9 Gb/s。凭借这些接口速度,此器件可以连接 FPGA 或 ASIC。
在 12 位或 16 位模式下使用时,DAC38RF82 可以产生两种射频波形,而在高速 8 位模式下,仅支持一种波形。该器件需要三个电源电压,分别是 1 伏、1.8 伏和 -1.8 伏。考虑到此器件的典型应用需求,这些电源电压必须非常干净且无纹波。理想情况下,DAC 的三个主要且相对独立的部分(数字子系统、模拟子系统和时钟子系统)应分别具有自己的分区电源,以避免发生任何意外交互。
DAC 的 DNL 典型值为 ±3 LSB,INL 典型值为 ±4 LSB,增益误差典型值为 ±2%。通过在测试期间选择适当的 DAC 数据寄存器值,可以确保给定应用的精度。
开始 DAC38RF82 开发
若要能够生成如此高的频率并保持足够的精度,评估板在开发过程中起到关键作用。DAC38RF82 由 DAC38RF82EVM 评估和开发板提供支持,该板可支持这款高端 DAC 的所有功能。DAC38RF82 需要 TSW14J56EVM 数据捕获接口板,以生成连接到 DAC38RF82EVM 的数字信号。数据捕获板通过 USB 3.0 接口连接至 PC。

图 4:右侧 TSW14J56EVM 生成的数字数据会通过 JESD204B 接口馈送到左侧的 DAC38RF82EVM,从而生成射频信号进行测试。(图片来源:Texas Instruments)
随附的评估软件包含针对目标应用对 DAC38RF82 进行评估、测试和编程的所有内容。
在使用如此高速的器件时,布局显得尤其重要。DAC38RF82 必须位于印刷电路板的边缘,并尽可能与所有其他元器件分开布置。设计人员必须严格遵守采用短射频印制线的原则,并且最好在电源引脚和接地之间使用旁路电容。其他布局建议包括:使用带焊垫导通孔并且上面的抽头尽量短的旁路电容,以免出现寄生电感。此外,设计人员应使用 100Ω 差分共面波导作为输出印制线。
结论
具有通用片载 DAC 的微控制器适用于生成具有合理精度的千赫级电压和波形。为了生成精密电压或极高速度,可以使用外部 DAC 来显著提高应用的精度和性能,但同时也有必要在电源和布局方面对设计实践进行一定程度的改进。
![]()
